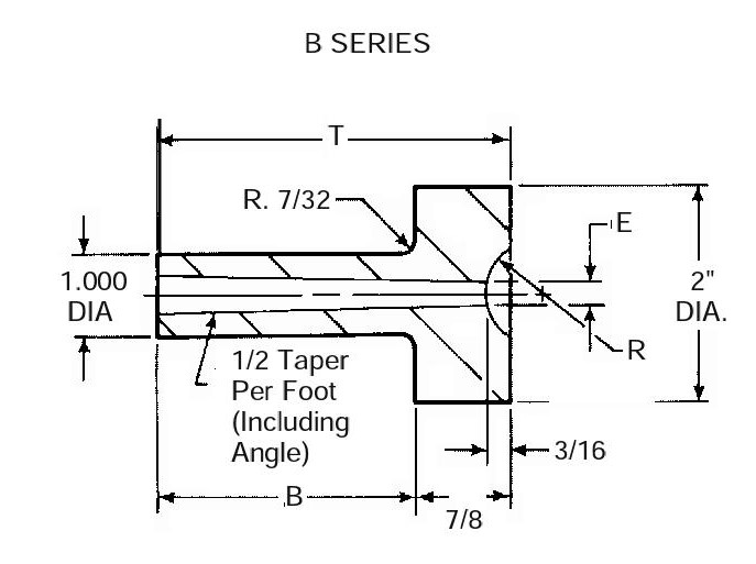
JBF National B Series sprue bushings come hardened and ground, and feature a 43/45 RC through hardness. Please see component diagram below.
| JBF P/N | T | B | E | R |
|---|---|---|---|---|
| BW8605 | 1 25/32 | 29/32 | 5/32 | 1/2 |
| BW8609 | 2 9/32 | 1 13/32 | 5/32 | 1/2 |
| BW8613 | 2 25/32 | 1 29/32 | 5/32 | 1/2 |
| BW8617 | 3 9/32 | 2 13/32 | 5/32 | 1/2 |
| BW8621 | 3 25/32 | 2 29/32 | 5/32 | 1/2 |
| BW8625 | 4 9/32 | 3 13/32 | 5/32 | 1/2 |
| BW8629 | 4 25/32 | 3 29/32 | 5/32 | 1/2 |
| BW8633 | 5 9/32 | 4 13/32 | 5/32 | 1/2 |
| BW8637 | 5 25/32 | 4 29/32 | 5/32 | 1/2 |
| BW8641 | 6 25/32 | 5 29/32 | 5/32 | 1/2 |
| 7 25/32 | 6 29/32 | 5/32 | 1/2 | |
| BW8606 | 1 25/32 | 29/32 | 7/32 | 1/2 |
| BW8610 | 2 9/32 | 1 13/32 | 7/32 | 1/2 |
| BW8614 | 2 25/32 | 1 29/32 | 7/32 | 1/2 |
| BW8618 | 3 9/32 | 2 13/32 | 7/32 | 1/2 |
| BW8622 | 3 25/32 | 2 29/32 | 7/32 | 1/2 |
| BW8626 | 4 9/32 | 3 13/32 | 7/32 | 1/2 |
| BW8630 | 4 25/32 | 3 29/32 | 7/32 | 1/2 |
| BW8634 | 5 9/32 | 4 13/32 | 7/32 | 1/2 |
| BW8638 | 5 25/32 | 4 29/32 | 7/32 | 1/2 |
| BW8642 | 6 25/32 | 5 29/32 | 7/32 | 1/2 |
| 7 25/32 | 6 29/32 | 7/32 | 1/2 | |
| BW8607 | 1 25/32 | 29/32 | 5/32 | 3/4 |
| BW8611 | 2 9/32 | 1 13/32 | 5/32 | 3/4 |
| BW8615 | 2 25/32 | 1 29/32 | 5/32 | 3/4 |
| BW8619 | 3 9/32 | 2 13/32 | 5/32 | 3/4 |
| BW8623 | 3 25/32 | 2 29/32 | 5/32 | 3/4 |
| BW8627 | 4 9/32 | 3 13/32 | 5/32 | 3/4 |
| BW8631 | 4 25/32 | 3 29/32 | 5/32 | 3/4 |
| BW8635 | 5 9/32 | 4 13/32 | 5/32 | 3/4 |
| BW8639 | 5 25/32 | 4 29/32 | 5/32 | 3/4 |
| 6 25/32 | 5 29/32 | 5/32 | 3/4 | |
| BW8643 | 7 25/32 | 6 29/32 | 5/32 | 3/4 |
| BW8608 | 1 25/32 | 29/32 | 7/32 | 3/4 |
| BW8612 | 2 9/32 | 1 13/32 | 7/32 | 3/4 |
| BW8616 | 2 25/32 | 1 29/32 | 7/32 | 3/4 |
| BW8620 | 3 9/32 | 2 13/32 | 7/32 | 3/4 |
| BW8624 | 3 25/32 | 2 29/32 | 7/32 | 3/4 |
| BW8628 | 4 9/32 | 3 13/32 | 7/32 | 3/4 |
| BW8632 | 4 25/32 | 3 29/32 | 7/32 | 3/4 |
| BW8636 | 5 9/32 | 4 13/32 | 7/32 | 3/4 |
| BW8640 | 5 25/32 | 4 29/32 | 7/32 | 3/4 |
| 6 25/32 | 5 29/32 | 7/32 | 3/4 | |
| BW8644 | 7 25/32 | 6 29/32 | 7/32 | 3/4 |