Plastic Duroplast 6 Lobe Knob - Steel Hub

Plastic Duroplast 6 Lobe Knob - Steel Hub
Plastic Duroplast 6 Lobe Knob - Steel Hub
Plastic Duroplast 6 Lobe Knob - Steel Hub

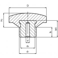
JBF National’s 6 lobe hand knob (also known as a clamping knob) is manufactured from the highest quality black duroplast, and a zinc plated steel hub. A blind pilot hole comes standard on this hand knob to accommodate a panoply of alterations. Due to the lack of mold lines and combined with the smooth edges of its black duroplast grip, continued operator palm comfort is ensured. Please see component diagram below.

JBF National Part NumberDd pilot holed1d6hh1H2
1PDLK-15201.730.210.910.590.390.790.63
2PDLK-15212.170.210.980.750.431.140.83
3PDLK-15222.60.211.180.710.631.020.98
4PDLK-15233.030.211.180.710.631.021.06